product-img

MV Current Transformers

Cores are made from high grade CRGO material.

Dual coated copper wire having class of insulation H.

Nickel plated secondary terminals with plus minus screws of 0.SNm.

Technical Data

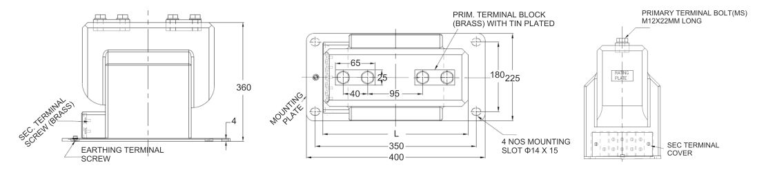
HSV: 3.6kV to 15kV

Product Image
Product Image

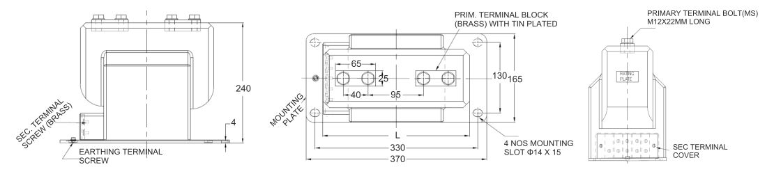
HSV: 3.6kV to 15kV

Product Image
Product Image

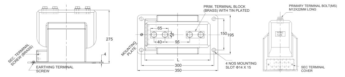
HSV: 24kV

Product Image
Product Image

HSV: 36kV

Product Image
Product Image